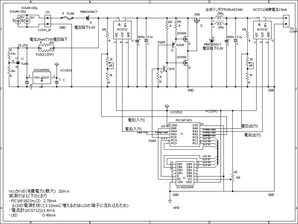
太陽光パネルで発電した電力をバッテリに充電したり、直流ベースラインに流すためのDC-DCコンバータのコア部分の設計がとりあえずできた。
緊急時の回避回路は無いけれど、実験レベルで動かすところまで何とかたどり着いたというところ。太陽光パネルの電力を自動車用の鉛バッテリに充電することを想定している。
入手できた部品で設計したので、インダクタが二つ並列に入っていたり、抵抗が並列に並んでいたりと見栄えはあまり良くないが、それは個人が小遣いで細々と取り組んでいるDIYと言うことで、許してもらおう。

CPUや液晶ディスプレイの電源をバッテリから取れば、回路図はもう少しスマートになるのだが、せっかくなので太陽光パネルで発電した電力を利用して無駄を省こうと思い、太陽光パネルの電圧を下げるのにスマートではないシャントレギュレータを利用した。
シャントレギュレータは、リニア動作のため、電流は常に流さねばならず、効率が悪くなる。実測で20mA程度なので、微々たるものなが、自宅の電力をとことん自家発電で賄おうとするには、ケチケチ精神は徹底して実践しないといけない。
この週末は、自治会の夏祭り実行委員会の反省会があったりして、あまり時間が取れず、なかなか思うように作業が進まないのが残念。
H.Hさん、K.Oさん、K.Aさん、他19人が「いいね!」と言っています。
コメント:
T.Y:着々と進んでますね。完成したらお祝いをやりましょう。 2012/9/9 21:55
M.S:やるなぁ 2012/9/9 22:15
A.W:これはご趣味? 2012/9/10 9:09
S.H:回路図かける人ってかっこいー! 2012/9/10 14:23
創結マスター:T.Yさん、おたがい、頑張りましょう。何をもって完成かは、不明ですが、是非のみには行きましょう! 2012/9/11 18:42
創結マスター:M.S師匠、通信と違って電力は変化がまだ目で追えるのが、理解しやすい理由と気づきました。OFDMAなんて、空想の世界ですからねぇ 2012/9/11 18:45
創結マスター:A.Wさん、少し前までは、半分仕事でしたが、今は、ほとんど趣味になってしまいました学生時代に学んだ電磁気学、電気回路を思い出し出しやってます 2012/9/11 18:47
創結マスター:S.Hさん、老化防止のための頭の体操として、有効です。一緒にやりませんか? 2012/9/11 18:49


