電力制御

プログラミング

DC-DCコン開発(5) PICで制御ソフト開発

パワコン開発まだまだつづくよ・・・・・今日はPICのソフトの巻。最新のエンハンストコアのPICは内蔵クロックで32MHzもの高速で動く。色々な処理をできるだけ詰込めるように、最大クロックで動かすことを想定し、今までテストしてきた8MHzから...
回路設計

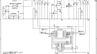
DC-DCコン開発(4) ロジック用5V電源回路

今週もあれやこれややらねばならぬことどもが多く、パワコン作成は遅々として進まず。右側の抵抗がたくさん並んでいる部分が5V電源回路PV(太陽光発電システム)の高電圧からPICや液晶ディスプレイ用の5Vを作る回路設計と動作検証だけ。三端子レギュ...
回路設計

DC-DCコン開発(3) 初号機電力制御部完成

とりあえずここまではできた。妙にすっきりしているのは、ショットキーバリアダイオードの放熱に裏の銅箔面を利用するよう裏面に実装したため。個人的な趣味としては高密度実装が好みでこんなスカスカはイマイチなんだけど、放熱を考えれば仕方ないか。Pow...
回路設計

DC-DCコン開発(2) 実験用初号機基板作成

電流が20Aも流れるメインロードはブレッドボードでは組めないので、先ずは基板起こし。と言っても、さすがにエッチングの酸化第二鉄なんて物を自宅に持ってるほど変な人ではないので、銅箔を基板カッターでこそいで回路を作成。スチールウールで表面を磨い...
回路設計

DC-DCコン開発(1) 設計始動

太陽光パネルで発電した電力をバッテリに充電したり、直流ベースラインに流すためのDC-DCコンバータのコア部分の設計がとりあえずできた。緊急時の回避回路は無いけれど、実験レベルで動かすところまで何とかたどり着いたというところ。太陽光パネルの電...
設備電設

ベランダソーラー(8) パネル設置完了

早朝の涼しいうちに太陽光パネル設置作業を実施しました。息子に手伝ってもらって、都合80kgを何とか上げきりました。最後の仕上げのナット締めは手伝ってくれた息子にやってもらって完成!あとは、補強用に何箇所か固定すればOK。土木工作の部は概ね完...
設備電設

ベランダソーラー(7) フレーム設置工事

太陽光パネルを乗せるフレームが完成。ホームセンターで調達した柱を固定するアングルが必要個数の在庫が無く、類似アングルに穴あけ加工をして間に合せる作業が発生したり、ブリックタイルにコンクリートドリルで穴を空けていたら刃が折れてしまい急遽買いに...
ソーラー発電

ベランダソーラー(6) 建材ゲット

太陽光パネルを設置する建材が届きました。夏休みの自由工作開始です。強度を考えて8mm、10mmのボルトて固定するつもりだけど、市販の安価な部材は、ビス穴が小さくボルトが通らないため、リーマでステンレスの部材を32個も削ったら、手が豆だらけに...
設備電設

ベランダソーラー(5) ベランダ屋根設置構想

昨日から夏休み突入。今年の夏休みの自由研究&工作は、自宅手作りPVシステム。妻から屋根のないベランダに屋根が欲しい欲しいとずっと言われ続けて苦節10年。自分の興味とうまく合致したPVシステムにて実現することに。業者に頼むとかなりの額がかかっ...
負荷機器

照明開発(9) 自動点灯門燈完成!

みなさんのリクエストにお応えして、点灯しているところをご紹介。左側に制御回路が入っているので、灯は右際に寄ってしまっています。LEDは、100個1000円ぐらいの廉価版高輝度白色LEDを拡散キャップも使わず生のままですので、正面方向しか明る...
負荷機器

照明開発(8) 自動点灯門燈設置

門灯のLED化、照度センサによるスイッチレス化をしました。太陽光発電で家庭のどれだけの電力がまかなえるかチャレンジしていきます。内部構造外観H.Tさん、S.Hさん、T.Yさん、他18人が「いいね!」と言っています。コメント:K.K:二次電池...
部材素材

ベランダソーラー(4) ガラパゴスの残骸

日本メーカの手に入らないMC3コネクタを入手しやすいMC4コネクタに全部付け替えた。これで3種類のパネルのケーブルが共用できるようになって作業効率アップ!T.Uさん、T.Tさん、S.Kさん、他3人が「いいね!」と言っています。コメント:Y....