ソーラー発電

プログラミング

DCDCコン開発(74) 本番機検証(遅延解析1)

不具合解析もあり、ようやく今日、設計したとおりに動くようになったので、まずは、鉛バッテリ2直をDCDCコンの入力につないで動作確認してみた。すると、PWM幅の増加に応じて出力電圧が徐々に上昇するはずなのが、ある電圧を過ぎると脈流しているよう...
プログラミング

DCDCコン開発(73) 本番機検証(バグ取り)

自分で設計して起こした基板のDCDCコンバータが、どうも安定しない。出力を固定値に合わせようとしてPWM幅を制御すると、ある一定の幅の間で振幅減少が現れる。この現象は、以前も発生したことがある。DCDCコンバータの入力、出力遅延によるものと...
ソーラー発電

DCDCコン開発(62) DCDCダウンコンバータ本番機検証再開

2013年10月13日の投稿以来進んでいなかった本番機の検証を再開した。進んでいなかった理由は、第一種電気工事士の技能試験があったり、横道にそれて人感センサー照明作りに励んだりと、まぁ、難しい問題への真正面からの取組みから目を背けていたとい...
プログラミング

DCDCコン開発(61) PIC割込み処理の注意点

一般的には、割込み処理は、割込み周期よりも短時間で完了するように設計するが、どうしても1周期以内に全ての処理を詰め込むことが難しい場合がある。処理内容によっては、それでも特に問題は無い場合もあり、その際は2周期目を利用して1処理を行うことで...
プログラミング

DCDCコン開発(60) 計測タイミングに関する考察

最近おサボりして、なかなか進展の無かった自宅PVシステムについて久しぶりに検討状況を記録する。サボっていたと言っても、あれやこれやと頭の中では思考をしており、ようやく整理できてきたのできちんと書き留めておこうと思った次第。今まで、DCDCコ...
回路設計

DCDCコン開発(59) スイッチングドライブ回路の再調整

オーダーメイドの基板に部品を載せてDC-DCコンバータを調整中。ソフト的な諸々の対策については別途レポートするとして、今日は今直面しているスイッチングの問題点。基板を起す前の試作機では、ハイサイドのスイッチングにNchMOS-FETとして東...
調達

基板製造(6) DCDCコンバータ基板到着

無事に予定通り、本日小包が到着した。最初の配達では、留守だったので、一度持ち帰り、夕方に再配達されたこともトレースシステムで確認できた。帰宅後、テープでぐるぐる巻にされた小包を開いてみると、まるで既製品のような基板が6枚出てきました。え??...
機材ツール

基板製造(1) プリント基板設計にトライ

ここしばらくは、いろいろとやらなければならないことがあり、あまり取組むことができなかった。お盆の行事も滞りなく済ませて、ようやく少し時間の余裕ができたので、久しぶりに再開。CPUや電流センサ用の安定な5V直流電源をどうやればうまく作れるか、...
回路設計

DCDCコン開発(49) ロジック及びMOSFETドライバ用電源

これまでに、PICと電流センサ用の5V-DC、MOSFETドライバ用の12V-DC電源の効率的な作成について、色々と検討してきた。簡易なDCDCコンバータとしてLMC555タイマICを利用したもので完璧!と思って、いろいろと試してみたところ...
回路設計

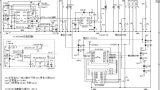
DCDCコン開発(48) 最新DC-DCコン回路

これまでのノイズ対策や回路改善の結果、当初設計からずいぶんと変化を重ねてきたので、ここで一度整理をしておく。現時点のDC-DCコンバータの基本回路を以下に示す。電源は太陽光発電を利用する。CPUとFETドライバに供給する電圧作りにLMC55...
回路設計

DCDCコン開発(47) 電源に関する一考察

パワコン開発において、駆動電源はバッテリからとる方法と太陽光パネルから取る方法が考えられる。根本的にけちけち思考なので、太陽光パネルが発電している間は、パネルから取る方を選択してきた。しかし、パネルの発電は照度によってかなり変動する。雲でか...
調達

DCDCコン開発(44) OSコン直輸入

日本ではディスコンになったOSコンはなかなか手に入らない。アキバであちこち探してもようやくひとつのショップで売ってるのが見つかっただけ。しかも、たった5種類だけ。ネットではいくつか見つかったが、1個200円とかする。User comment...